Videre til indhold
Maskiner
Rengøringsartikler
Koste & Børster
Malerartikler
Måtter
Sikkerhedsudstyr
Restparti
Tilbage
Nilfisk støvsugere
Alle støvsugere
Professionel støvsuger
Rygstøvsuger
Centralstøvsuger
Hobby industristøvsuger
Små industristøvsugere
Store industristøvsugere
Sikkerhedsklassificerede industristøvsugere
Stationære industristøvsuger
Husholdningsstøvsugere
Tilbehør og reservedele
Gulvvaskemaskiner
Alle gulvvaskemaskiner
Sugelæber og kits
Batterier
Rondeller
Rondelholder
Børster
Reservedele
Fejemaskiner
Alle fejemaskiner
Tilbehør Nilfisk fejemaskiner
Højtryksrenser
Alle højtryksrensere
Mobile koldtvandsrensere
Stationære koldtvandsrensere
Hedtvandsrenser
Benzin-drevne højtryksrensere
Tilbehør til Professionel højtryksrenser
Diverse maskiner
Polermaskiner
Polermaskine tilbehør
Tæpperenser
Tæpperenser tilbehør
Damprenser
Tilbehør til damprenser
Tilbage
Klude aftørring og mopper
Klude
Mopper
Moppefremfører
Rengøringsvogne
Små rengøringsvogne
Store rengøringsvogne
Komplette vogne
Komponenter til Rengøringsvogne
Moppesystemer
Mopper
Moppefremfører
Teleskopskafter
Gummiskraber / Svaber
Gummiskraber metal
Gummiskraber plast
Gummiskrabere auto
Gulvsvaber
Gummiskraber
Erstatningsgummi
Forrudeskraber
Rengøringsmidler/Kemi
Dispensere og pumper
Hånddesinfektion
Håndsæbe
Gulv og grundrengøring
Auto og Transport
Kalkfjerner/Sanitet
Desinfektion
Husholdning/Opvask
Vinduesrens
Rengøringsartikler
Vikan Hygiejne System
Skurenylon og holder
Fejebakker
Skafter
Hygiejne Skafter
Vinduesvask
Rengøringsspande
Rengøringshandsker
Diverse
Tilbage
Koste
Bløde koste
Værkstedskoste
Maskinlavede værkstedskoste
Håndlavede værkstedskoste
Gadekoste
Staldkoste (Håndlavet)
Stålkoste
Vikan koste
Riskoste
Vikan hygiejne koste
Børster
Børster
Vaskebørster
Håndvaskebørster
Vaskebørster til skaft
Håndbørster auto
Opvaskebørster
Vikan Hygiejne børster
Vikan Hygiejne rørrenser
Skafter
Skafter i træ
Skafter i aluminium
Teleskopskafter
Skafter m. vandgennemløb
Vikan hygiejne Skafter
Redskabsholdere og skinner
Redskabsholdere
Skinner
Skinner til holdere
Tilbehør
Skovle & Redskaber
Skovle
Farmerskrab
Sneskraber/sneskovl
Vikan hygiejne Skovle
Tilbage
Økonomipensler
Fladpensler
Anstrygere
Cykellakpensler
Rundpensler
Radiatorpensler
Penselsæt
Malerruller og tilbehør
Malerruller fra 5-15 cm
Malerruller 18 cm
Malerruller 25 cm
Malerbakke m. rulle / malerbakke Bøjler
Andre malerartikler
Malerspartler
Malerdragter
Malerspand og penselrens
Hobbyknive & Klinger
Hobbyknive
Klinger
Tilbage
Indgangsmåtter med gummibagside
Smudsmåtte Str. 40 x 60 cm.
Smudsmåtte Str. 60 x 80/90 cm.
Smudsmåtte Str. 80 x 120 cm.
Smudsmåtte Str. 90x150/250 cm.
Smudsmåtte str. 120x180/200 cm.
Øvrige måtter
Dørmåtter efter mål
Rød løber
Kokosmåtter
Græs og børstemåtter
Gummimåtter
Støvlerensere
Tilbage
Arbejdshandsker
Montagehandsker
Strikhandsker
Læderhandsker
Nitril handsker
Rengøringshandsker
Engangshandsker
Beskyttelsesdragter
Sikkerhedsbriller
Sikkerhedsbriller
Tilbehør til sikkerhedsbriller
Helbriller/Goggles
Cykelbriller
Masker
Hobbyknive & Klinger
Hobbyknive
Klinger
Diverse
Skoovertræk
Høreværn
Tilbehør til høreværn
Ørepropper
Førstehjælp
Beskyttelsesdragter
Tilbage
Restvarer
Malerartikler og tilbehør
Håndsprit, visir mv.
Andet blandet
Tilbage
Klude aftørring og mopper
Klude
Mopper
Moppefremfører
Tilbage
Rengøringsvogne
Små rengøringsvogne
Store rengøringsvogne
Komplette vogne
Komponenter til Rengøringsvogne
Moppesystemer
Mopper
Moppefremfører
Teleskopskafter
Tilbage
Gummiskraber / Svaber
Gummiskraber metal
Gummiskraber plast
Gummiskrabere auto
Gulvsvaber
Gummiskraber
Erstatningsgummi
Forrudeskraber
Tilbage
Rengøringsmidler/Kemi
Dispensere og pumper
Hånddesinfektion
Håndsæbe
Gulv og grundrengøring
Auto og Transport
Kalkfjerner/Sanitet
Desinfektion
Husholdning/Opvask
Vinduesrens
Tilbage
Rengøringsartikler
Vikan Hygiejne System
Skurenylon og holder
Fejebakker
Skafter
Hygiejne Skafter
Vinduesvask
Rengøringsspande
Rengøringshandsker
Diverse
Tilbage
Koste
Bløde koste
Værkstedskoste
Maskinlavede værkstedskoste
Håndlavede værkstedskoste
Gadekoste
Staldkoste (Håndlavet)
Stålkoste
Vikan koste
Riskoste
Vikan hygiejne koste
Tilbage
Børster
Børster
Vaskebørster
Håndvaskebørster
Vaskebørster til skaft
Håndbørster auto
Opvaskebørster
Vikan Hygiejne børster
Vikan Hygiejne rørrenser
Tilbage
Skafter
Skafter i træ
Skafter i aluminium
Teleskopskafter
Skafter m. vandgennemløb
Vikan hygiejne Skafter
Tilbage
Redskabsholdere og skinner
Redskabsholdere
Skinner
Skinner til holdere
Tilbehør
Tilbage
Skovle & Redskaber
Skovle
Farmerskrab
Sneskraber/sneskovl
Vikan hygiejne Skovle
Tilbage
Økonomipensler
Fladpensler
Anstrygere
Cykellakpensler
Rundpensler
Radiatorpensler
Penselsæt
Tilbage
Malerruller og tilbehør
Malerruller fra 5-15 cm
Malerruller 18 cm
Malerruller 25 cm
Malerbakke m. rulle / malerbakke Bøjler
Tilbage
Andre malerartikler
Malerspartler
Malerdragter
Malerspand og penselrens
Tilbage
Hobbyknive & Klinger
Hobbyknive
Klinger
Tilbage
Indgangsmåtter med gummibagside
Smudsmåtte Str. 40 x 60 cm.
Smudsmåtte Str. 60 x 80/90 cm.
Smudsmåtte Str. 80 x 120 cm.
Smudsmåtte Str. 90x150/250 cm.
Smudsmåtte str. 120x180/200 cm.
Tilbage
Øvrige måtter
Dørmåtter efter mål
Rød løber
Kokosmåtter
Græs og børstemåtter
Gummimåtter
Støvlerensere
Tilbage
Arbejdshandsker
Montagehandsker
Strikhandsker
Læderhandsker
Nitril handsker
Rengøringshandsker
Engangshandsker
Beskyttelsesdragter
Tilbage
Sikkerhedsbriller
Sikkerhedsbriller
Tilbehør til sikkerhedsbriller
Helbriller/Goggles
Cykelbriller
Masker
Tilbage
Hobbyknive & Klinger
Hobbyknive
Klinger
Tilbage
Diverse
Skoovertræk
Høreværn
Tilbehør til høreværn
Ørepropper
Førstehjælp
Beskyttelsesdragter
Tilbage
Restvarer
Malerartikler og tilbehør
Håndsprit, visir mv.
Andet blandet
Billigkoste.dk
Ryd
Luk
Alle bestillinger inden
Bestil nu og vi ekspederer din ordre næstkommende hverdag
ekspederes i dag
0
Kurv
Alle bestillinger inden
Bestil nu og vi ekspederer din ordre næstkommende hverdag
ekspederes i dag
Maskiner
Nilfisk støvsugere
Alle støvsugere
Professionel støvsuger
Rygstøvsuger
Centralstøvsuger
Hobby industristøvsuger
Små industristøvsugere
Store industristøvsugere
Sikkerhedsklassificerede industristøvsugere
Stationære industristøvsuger
Husholdningsstøvsugere
Tilbehør og reservedele
Gulvvaskemaskiner
Alle gulvvaskemaskiner
Sugelæber og kits
Batterier
Rondeller
Rondelholder
Børster
Reservedele
Fejemaskiner
Alle fejemaskiner
Tilbehør Nilfisk fejemaskiner
Højtryksrenser
Alle højtryksrensere
Mobile koldtvandsrensere
Stationære koldtvandsrensere
Hedtvandsrenser
Benzin-drevne højtryksrensere
Tilbehør til Professionel højtryksrenser
Diverse maskiner
Polermaskiner
Polermaskine tilbehør
Tæpperenser
Tæpperenser tilbehør
Damprenser
Tilbehør til damprenser
Rengøringsartikler
Klude aftørring og mopper
Klude
Mopper
Moppefremfører
Rengøringsvogne
Små rengøringsvogne
Store rengøringsvogne
Komplette vogne
Komponenter til Rengøringsvogne
Moppesystemer
Mopper
Moppefremfører
Teleskopskafter
Gummiskraber / Svaber
Gummiskraber metal
Gummiskraber plast
Gummiskrabere auto
Gulvsvaber
Gummiskraber
Erstatningsgummi
Forrudeskraber
Rengøringsmidler/Kemi
Dispensere og pumper
Hånddesinfektion
Håndsæbe
Gulv og grundrengøring
Auto og Transport
Kalkfjerner/Sanitet
Desinfektion
Husholdning/Opvask
Vinduesrens
Rengøringsartikler
Vikan Hygiejne System
Skurenylon og holder
Fejebakker
Skafter
Hygiejne Skafter
Vinduesvask
Rengøringsspande
Rengøringshandsker
Diverse
Koste & Børster
Koste
Bløde koste
Værkstedskoste
Maskinlavede værkstedskoste
Håndlavede værkstedskoste
Gadekoste
Staldkoste (Håndlavet)
Stålkoste
Vikan koste
Riskoste
Vikan hygiejne koste
Børster
Børster
Vaskebørster
Håndvaskebørster
Vaskebørster til skaft
Håndbørster auto
Opvaskebørster
Vikan Hygiejne børster
Vikan Hygiejne rørrenser
Skafter
Skafter i træ
Skafter i aluminium
Teleskopskafter
Skafter m. vandgennemløb
Vikan hygiejne Skafter
Redskabsholdere og skinner
Redskabsholdere
Skinner
Skinner til holdere
Tilbehør
Skovle & Redskaber
Skovle
Farmerskrab
Sneskraber/sneskovl
Vikan hygiejne Skovle
Malerartikler
Økonomipensler
Fladpensler
Anstrygere
Cykellakpensler
Rundpensler
Radiatorpensler
Penselsæt
Malerruller og tilbehør
Malerruller fra 5-15 cm
Malerruller 18 cm
Malerruller 25 cm
Malerbakke m. rulle / malerbakke Bøjler
Andre malerartikler
Malerspartler
Malerdragter
Malerspand og penselrens
Hobbyknive & Klinger
Hobbyknive
Klinger
Måtter
Indgangsmåtter med gummibagside
Smudsmåtte Str. 40 x 60 cm.
Smudsmåtte Str. 60 x 80/90 cm.
Smudsmåtte Str. 80 x 120 cm.
Smudsmåtte Str. 90x150/250 cm.
Smudsmåtte str. 120x180/200 cm.
Øvrige måtter
Dørmåtter efter mål
Rød løber
Kokosmåtter
Græs og børstemåtter
Gummimåtter
Støvlerensere
Sikkerhedsudstyr
Arbejdshandsker
Montagehandsker
Strikhandsker
Læderhandsker
Nitril handsker
Rengøringshandsker
Engangshandsker
Beskyttelsesdragter
Sikkerhedsbriller
Sikkerhedsbriller
Tilbehør til sikkerhedsbriller
Helbriller/Goggles
Cykelbriller
Masker
Hobbyknive & Klinger
Hobbyknive
Klinger
Diverse
Skoovertræk
Høreværn
Tilbehør til høreværn
Ørepropper
Førstehjælp
Beskyttelsesdragter
Restparti
Restvarer
Malerartikler og tilbehør
Håndsprit, visir mv.
Andet blandet
Hjem
Alle produkter
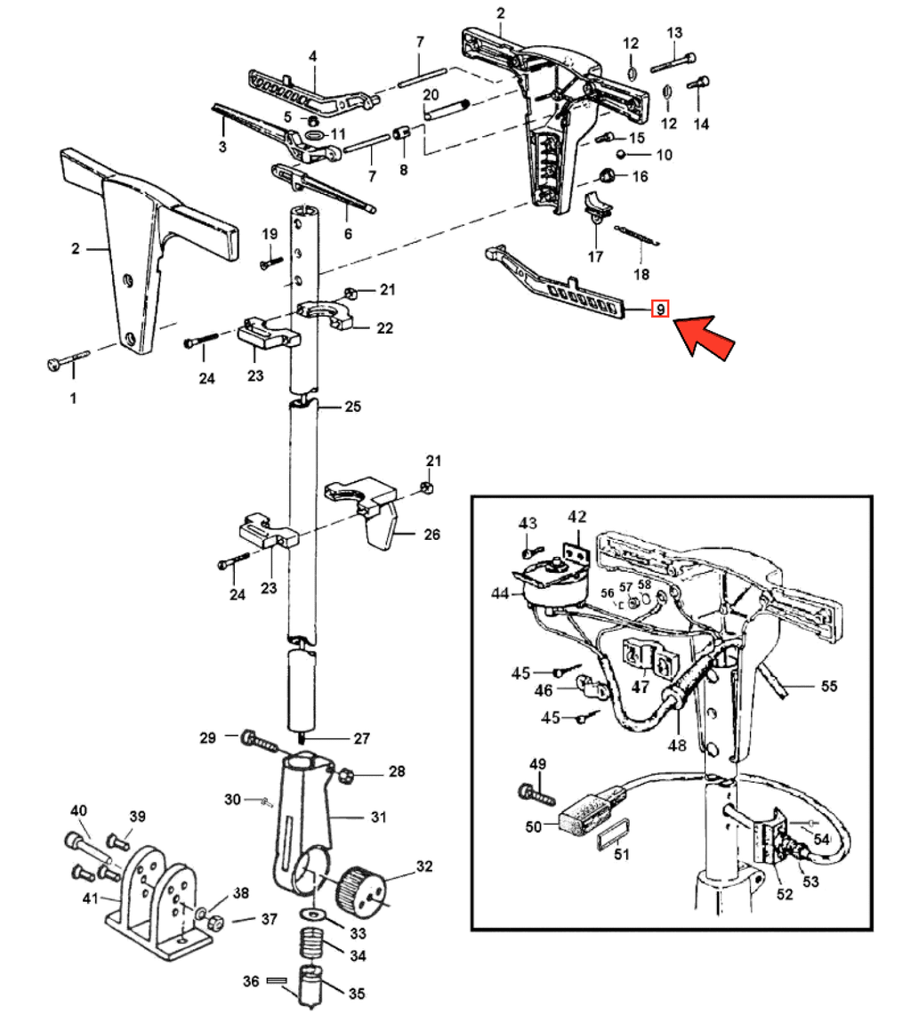
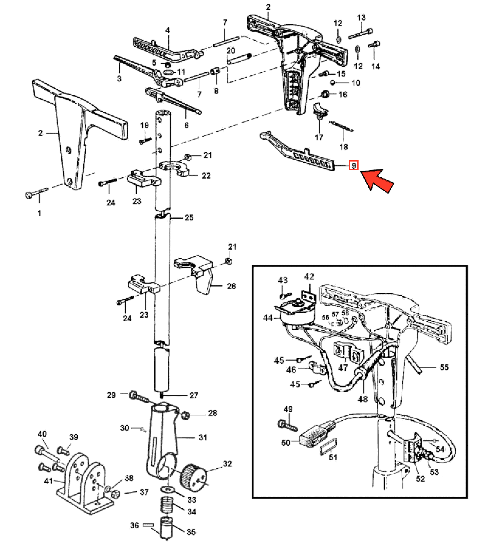
Håndtag, venstre PS333
Rul over for at zoome
Klik på billedet for at zoome ind
/
Håndtag, venstre PS333
Nilfisk
Varenr.
80151450609
Pris:
Kampagnepris
kr.392,70
Leveringstid:
3-5 dage
Antal:
Tilføj til kurv
Rul over for at zoome
Klik på billedet for at zoome ind
/
Håndtag, venstre PS333
Nilfisk
Varenr.
80151450609
Pris:
Kampagnepris
kr.392,70
Leveringstid:
3-5 dage
Antal:
Tilføj til kurv
Beskrivelse
Håndtag, venstre PS333
Pos.9 på stregtegning
Beskrivelse
Beskrivelse
Håndtag, venstre PS333
Pos.9 på stregtegning
You may also like
Recently viewed
Stolte medlemmer af ..
Åbner i et nyt vindue
Welcome to Shopify Store
I act like:
Business
excl. VAT
Individual
incl. VAT